Rough plans for a Pneumatic gun.

Show us your pneumatic spud gun! Discuss pneumatic (compressed gas) powered potato guns and related accessories. Valve types, actuation, pipe, materials, fittings, compressors, safety, gas choices, and more.

You like? :)

Poll ended at Thu Aug 30, 2012 1:45 pm

yes
0
No votes
No
1
100%
 
Total votes: 1
joshywin
Private
Private
Posts: 14
Joined: Thu Aug 23, 2012 11:06 am

Thu Aug 23, 2012 1:45 pm

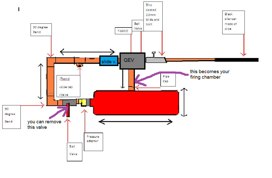
The extinguisher is around 35 cm x 12 therefore you can get an idea of dimensions, It's only a rough kinda diagram. I have two ball valves to make it kind of semi-auto. The barrel size is 15mm and the rest 22mm.
Constructive criticism is fine. I used paint :P
Attachments
Here it is.
Here it is.
User avatar
wyz2285
First Sergeant 2
First Sergeant 2
Austria
Posts: 2388
Joined: Sat Mar 06, 2010 7:50 am
Location: Porto, Portugal
Has thanked: 1 time
Been thanked: 4 times
Contact:

Thu Aug 23, 2012 1:58 pm

There isn´t much to be said. Some people will come here to tell you to use a QEV, some of them will tell you to get a slide valve+QEV combo, but anyway, if you are new to these things, I´d say go a head and build it as your diagram. It´s not efficient but that´s basically duo to the ball valve, you can improve it later.
CpTn_lAw wrote: :D "yay, me wanna make big multishot pnoob with 1000 psi foot pump compressor using diamond as main material. Do you think wet bread make good sealant? " :D
User avatar
PaperNinja
Specialist
Specialist
Posts: 190
Joined: Sun Jun 17, 2012 7:51 pm
Location: Droneland

Thu Aug 23, 2012 1:59 pm

Few things :)

Ball valves are TERRIBLY slowly-opening valves. You'll get much better performance using a better valve like a QEV. With a ball valve you'll find that unless the projectile is heavy or has significant barrel friction, it's not really gonna go anywhere.

Also, so many bends of pipe slow down the flow of air, decreasing performance.

Silencers don't really have an effect on pneumatics :).

I don't know what you are planning to charge your tank to, but if you want any significant number of shots per fill, AND consistent shots, you'll need a regulator. (Unless that's what you meant by pressure adapter, which I think it may have been)

For all that chamber volume, you might want a longer barrel. Lastly I don't understand what the grip-like thing is doing there. (The one next to the firing ball valve.)

Other than that looks good!


------------------------------------

Ninja'd by wyz :lol:
joshywin
Private
Private
Posts: 14
Joined: Thu Aug 23, 2012 11:06 am

Thu Aug 23, 2012 2:05 pm

Thanks, I'll try adapt it but atm i'm not sure how to use a QEV :/
I suppose it's not exactly economical with the air, (If that makes sense! :P)
User avatar
wyz2285
First Sergeant 2
First Sergeant 2
Austria
Posts: 2388
Joined: Sat Mar 06, 2010 7:50 am
Location: Porto, Portugal
Has thanked: 1 time
Been thanked: 4 times
Contact:

Thu Aug 23, 2012 2:11 pm

PaperNinja wrote:Few things :)

Ball valves are TERRIBLY slowly-opening valves. You'll get much better performance using a better valve like a QEV. With a ball valve you'll find that unless the projectile is heavy or has significant barrel friction, it's not really gonna go anywhere.

Also, so many bends of pipe slow down the flow of air, decreasing performance.

Silencers don't really have an effect on pneumatics :).

I don't know what you are planning to charge your tank to, but if you want any significant number of shots per fill, AND consistent shots, you'll need a regulator. (Unless that's what you meant by pressure adapter, which I think it may have been)

For all that chamber volume, you might want a longer barrel. Lastly I don't understand what the grip-like thing is doing there. (The one next to the firing ball valve.)

Other than that looks good!


------------------------------------

Ninja'd by wyz :lol:
Ball valves are acceptable for shooting dards or what ever. I said the ball valves are a problem but use a QEV will change the current configuration of the gun radically.

He uses 2 valves, so the air used to fire the projectile does not have to travel through all the pipes, the air it´s stored inside the pipes.

By the size of the main chamber, also the inconvenience of a ball valve as the trigger means the accuracy is not good, also by the pressure a normal fire extinguisher can handle, a regulator it´s not necessary.

The most important thing: Suppressor
works with pneumatics. (JSR will be here soon if he saw your statement :lol: )
CpTn_lAw wrote: :D "yay, me wanna make big multishot pnoob with 1000 psi foot pump compressor using diamond as main material. Do you think wet bread make good sealant? " :D
User avatar
jackssmirkingrevenge
Five Star General
Five Star General
Posts: 26216
Joined: Thu Mar 15, 2007 11:28 pm
Has thanked: 576 times
Been thanked: 347 times

Donating Members

Thu Aug 23, 2012 2:12 pm

wyz2285 wrote:The most important thing: Suppressor
works with pneumatics. (JSR will be here soon if he saw your statement :lol: )
You beat me to it ;)

ditto on the QEV and slide valve combo by the way.
hectmarr wrote:You have to make many weapons, because this field is long and short life
joshywin
Private
Private
Posts: 14
Joined: Thu Aug 23, 2012 11:06 am

Thu Aug 23, 2012 2:19 pm

Okay, but about the QEV and slide valve combo how and where would I set it up on my gun? Soo confusing :P
User avatar
jackssmirkingrevenge
Five Star General
Five Star General
Posts: 26216
Joined: Thu Mar 15, 2007 11:28 pm
Has thanked: 576 times
Been thanked: 347 times

Donating Members

Thu Aug 23, 2012 2:27 pm

basically this is how it fits in:
Attachments
semiautomod.png
hectmarr wrote:You have to make many weapons, because this field is long and short life
joshywin
Private
Private
Posts: 14
Joined: Thu Aug 23, 2012 11:06 am

Thu Aug 23, 2012 2:38 pm

Thankyou :)
So I basically need to change the whole gun layout? :P
User avatar
PaperNinja
Specialist
Specialist
Posts: 190
Joined: Sun Jun 17, 2012 7:51 pm
Location: Droneland

Thu Aug 23, 2012 2:57 pm

Wow I just got owned by wyz xD ... back to listening and not answering lol.
User avatar
wyz2285
First Sergeant 2
First Sergeant 2
Austria
Posts: 2388
Joined: Sat Mar 06, 2010 7:50 am
Location: Porto, Portugal
Has thanked: 1 time
Been thanked: 4 times
Contact:

Thu Aug 23, 2012 3:14 pm

joshywin wrote: So I basically need to change the whole gun layout? :P
Not necessary. As I have said, you can build it the way you wanted. The use of a QEV will improve the power but if you are not familiar with them you may get problems. A ball valve's simplicity will certainly insure your gun will fire every time you open it. Also depending where you live, finding a QEV and slide valve maybe tricky so I'd say build it first then think about improvement and find out the power increase yourself :)
CpTn_lAw wrote: :D "yay, me wanna make big multishot pnoob with 1000 psi foot pump compressor using diamond as main material. Do you think wet bread make good sealant? " :D
joshywin
Private
Private
Posts: 14
Joined: Thu Aug 23, 2012 11:06 am

Thu Aug 23, 2012 4:24 pm

I've almost got it all sorted :)
I'll post the plan when i'm finished :)
User avatar
mattyzip77
Sergeant 3
Sergeant 3
United States of America
Posts: 1249
Joined: Tue Jun 28, 2011 12:22 pm
Location: Taxachusetts

Donating Members

Thu Aug 23, 2012 6:25 pm

Why not make it a strait gun rather than a over under??? You will lose alot of power with that big u shaped bend, or just make the distance less in the u.
Go Bruins!!!!
User avatar
jackssmirkingrevenge
Five Star General
Five Star General
Posts: 26216
Joined: Thu Mar 15, 2007 11:28 pm
Has thanked: 576 times
Been thanked: 347 times

Donating Members

Fri Aug 24, 2012 12:11 am

mattyzip77 wrote:Why not make it a strait gun rather than a over under??? You will lose alot of power with that big u shaped bend, or just make the distance less in the u.
If he builds it in the QEV/slide valve configuration the bend will be irrelevant.
hectmarr wrote:You have to make many weapons, because this field is long and short life
User avatar
Mr.Tallahassee
Specialist 3
Specialist 3
Posts: 364
Joined: Sun Jul 10, 2011 2:35 am

Fri Aug 24, 2012 12:27 am

If he builds it in the QEV/slide valve configuration he can lose the extinguisher and use higher pressure rated metal pipe and boost the power even more. :wink: Lots of directions to go from here.
Sarcasm is the body's natural defense against stupid.
Petitlu wrote:My balls are made of lead and weigh 22g but I can make heavier or lighter ...
Post Reply