Gen II tank.

Harness the power of precision mixtures of pressurized flammable vapor. Safety first! These are advanced potato guns - not for the beginner.
User avatar
Modderxtrordanare
Corporal 2
Corporal 2
Posts: 686
Joined: Mon Nov 20, 2006 1:22 pm
Location: Texas

Donating Members

Tue Jun 26, 2007 5:31 pm

I read up on DR's GenII Hybrid. But my hybrids ignition chamber is alot bigger than his is. (3' of 2" SCH80, ~103cu in)

It said to make the genII tank 5 times bigger than the ignition chamber, why? Also, is there a way I can get around this? markfh11q did it, but I couldn't quite grasp the concept of what he did exactly.

Could someone help me understand a little more about a GenII hybrid. (since it's not in the wiki)

P.S. Is my hybrids chamber too big? Or should I shorten it?
Spudding since '05. Proud waster of plumbing and plumbing accessories.

-Wiki
-How-To: Modding a Sprinkler Valve
User avatar
Fnord
First Sergeant 2
First Sergeant 2
Posts: 2239
Joined: Tue Feb 13, 2007 9:20 pm
Location: Pripyat
Been thanked: 1 time
Contact:

Tue Jun 26, 2007 7:44 pm

From what I understand, a genII fueling system puts a normal combustion mix into a secondary chamber then pumps it out into the main combustion chamber, usually by replacing the mix with water.

You'll need a secondary chamber 5x bigger to achive 5x mix, unless you want to drain the water out.
Image
User avatar
Modderxtrordanare
Corporal 2
Corporal 2
Posts: 686
Joined: Mon Nov 20, 2006 1:22 pm
Location: Texas

Donating Members

Tue Jun 26, 2007 7:50 pm

_Fnord wrote:From what I understand, a genII fueling system puts a normal combustion mix into a secondary chamber then pumps it out into the main combustion chamber, usually by replacing the mix with water.
I kind of understand how it works, but I don't understand why it works. I think I am missing some small detail that will fill in all the parts I don't get.

Is someone able to explain in more detail how it works, DR's page is confusing. Such as why he made the tank 5 times bigger than the ignition chamber.
Spudding since '05. Proud waster of plumbing and plumbing accessories.

-Wiki
-How-To: Modding a Sprinkler Valve
sandman
Corporal 2
Corporal 2
Posts: 672
Joined: Thu Mar 15, 2007 6:59 pm

Tue Jun 26, 2007 7:57 pm

it is so that he would fill it to the same pressures as he would have in his original chamber, but when he pumps water into it it compresses the gas into the combustion chamber 5 times

get it?
um im not good at explaining so i bet not, lol
User avatar
Modderxtrordanare
Corporal 2
Corporal 2
Posts: 686
Joined: Mon Nov 20, 2006 1:22 pm
Location: Texas

Donating Members

Tue Jun 26, 2007 8:02 pm

sandman wrote:it is so that he would fill it to the same pressures as he would have in his original chamber, but when he pumps water into it it compresses the gas into the combustion chamber 5 times

get it?
um im not good at explaining so i bet not, lol

Ooh, so if I make the seperate tank twice the size of my ignition chamber, and inject 4.03% propane for the total volume of both tanks, when I fill the entire second tank with water and disconnect them, the ignition chamber will have a 2x/2atm mix?
Spudding since '05. Proud waster of plumbing and plumbing accessories.

-Wiki
-How-To: Modding a Sprinkler Valve
sandman
Corporal 2
Corporal 2
Posts: 672
Joined: Thu Mar 15, 2007 6:59 pm

Tue Jun 26, 2007 8:10 pm

yep, as far as i have read, i do believe that is the principal
User avatar
Pete Zaria
Corporal 5
Corporal 5
Posts: 954
Joined: Fri Mar 31, 2006 6:04 pm
Location: Near Seattle, WA

Tue Jun 26, 2007 9:36 pm

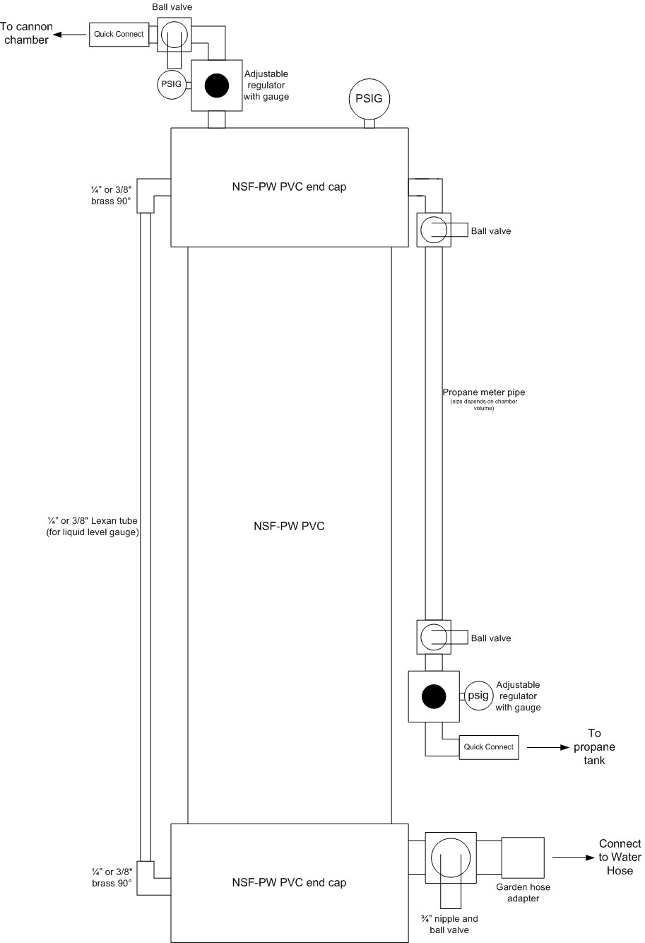
I was bored, so I did a quick Visio sketch of my idea for a gen2 tank. The Lexan tube for the liquid level gauge (just lets you see how much water is in the tank) is optional but would be very convenient and shouldn't cost much extra. The regulators, technically, are optional (you'd need a PSI gauge on the meter pipe at least) but again would make things much more convenient.

This design could be constructed in a variety of sizes to fit different sized cannons.

Peace,
Pete Zaria.
Attachments
Gen2Tank1.jpg
User avatar
Modderxtrordanare
Corporal 2
Corporal 2
Posts: 686
Joined: Mon Nov 20, 2006 1:22 pm
Location: Texas

Donating Members

Tue Jun 26, 2007 9:41 pm

Thank you pete, that plastic tube idea is genius. I was planning on mounting it horizontally (like DR) but I will mount it along the vertical support of my stand. It'll be a lot cleaner looking.
Spudding since '05. Proud waster of plumbing and plumbing accessories.

-Wiki
-How-To: Modding a Sprinkler Valve
User avatar
Pete Zaria
Corporal 5
Corporal 5
Posts: 954
Joined: Fri Mar 31, 2006 6:04 pm
Location: Near Seattle, WA

Tue Jun 26, 2007 9:44 pm

No prob.

I technically took the fuel level gauge idea from PyroDude's flamethrower design, but I've seen it used on other things before that, like the storage tank on my water well.

I was going to add, I personally (being a paranoid safety freak) would put a 1" union with a pop-bottle burst disk at the top, just in case of the very unlikely situation of over-pressurization due to combustion. But it's not really necessary. Just make sure to pressure test it for leaks before use....

Peace,
Pete Zaria.
User avatar
Modderxtrordanare
Corporal 2
Corporal 2
Posts: 686
Joined: Mon Nov 20, 2006 1:22 pm
Location: Texas

Donating Members

Tue Jun 26, 2007 9:46 pm

Pete Zaria wrote:No prob.

I technically took the fuel level gauge idea from PyroDude's flamethrower design, but I've seen it used on other things before that, like the storage tank on my water well.

I was going to add, I personally (being a paranoid safety freak) would put a 1" union with a pop-bottle burst disk at the top, just in case of the very unlikely situation of over-pressurization due to combustion. But it's not really necessary. Just make sure to pressure test it for leaks before use....

Peace,
Pete Zaria.
Allready had that in mind, but on the bottom. Then it will double as a water drainer. :wink:
Spudding since '05. Proud waster of plumbing and plumbing accessories.

-Wiki
-How-To: Modding a Sprinkler Valve
User avatar
spudkilla
Specialist
Specialist
Posts: 163
Joined: Sun Jan 21, 2007 10:33 am

Tue Jun 26, 2007 9:56 pm

As a matter of fact where is DR?
Why do I try to make a relevant post?
Kenny_McCormic
Specialist 2
Specialist 2
Posts: 283
Joined: Wed Jan 03, 2007 8:59 pm

Wed Jun 27, 2007 6:34 pm

I think he died.Cause 2 weeks ago I sent him an email and I got no reply
User avatar
spudkilla
Specialist
Specialist
Posts: 163
Joined: Sun Jan 21, 2007 10:33 am

Wed Jun 27, 2007 6:59 pm

Kenny_McCormic wrote:I think he died.Cause 2 weeks ago I sent him an email and I got no reply
Are you serious?



:shock: :shock: :shock: :shock:
Why do I try to make a relevant post?
User avatar
Modderxtrordanare
Corporal 2
Corporal 2
Posts: 686
Joined: Mon Nov 20, 2006 1:22 pm
Location: Texas

Donating Members

Wed Jun 27, 2007 7:45 pm

spudkilla wrote:
Kenny_McCormic wrote:I think he died.Cause 2 weeks ago I sent him an email and I got no reply
Are you serious?



:shock: :shock: :shock: :shock:
All that smoking..

Or maybe he took his genII tank up to 60psi again
Spudding since '05. Proud waster of plumbing and plumbing accessories.

-Wiki
-How-To: Modding a Sprinkler Valve
Kenny_McCormic
Specialist 2
Specialist 2
Posts: 283
Joined: Wed Jan 03, 2007 8:59 pm

Wed Jun 27, 2007 8:45 pm

spudkilla wrote:
Kenny_McCormic wrote:I think he died.Cause 2 weeks ago I sent him an email and I got no reply
Are you serious?



:shock: :shock: :shock: :shock:
yes the adress i used is the one in his profile kwazewabbitt@yahoo.com anybody know anything else about him?
Post Reply