Crank Powered Semi Auto Idea
I have been toying with the idea of using a revolving wheel/gear to both load and fire a cannon, achieving affect sort of like a Gatling Gun where all you do to fire is crank. This would definitely be a small bore cannon (3/4"?) that shoots uniform ammo, maybe paintballs. I realize there are probably much better and more effective ways to do this, I am just wondering if it would work.
I have a 10lb CO2 tank that the guns would be refilled from. Also, while the diagram is pretty self-explanatory, I do need to explain a few things: I realize I will need some sort of seal for the sliding magazine, something that will slide easily. I know it would be more ergonomic if I had the crank vertical, but that would prevent one side from gravity feeding, and I want to avoid springs and the jams they cause if possible. Also, I am not sure when, if ever I would build this, but I like to put ideas out there anyway.
I have a 10lb CO2 tank that the guns would be refilled from. Also, while the diagram is pretty self-explanatory, I do need to explain a few things: I realize I will need some sort of seal for the sliding magazine, something that will slide easily. I know it would be more ergonomic if I had the crank vertical, but that would prevent one side from gravity feeding, and I want to avoid springs and the jams they cause if possible. Also, I am not sure when, if ever I would build this, but I like to put ideas out there anyway.
-
Novacastrian
- Staff Sergeant 2

- Posts: 1603
- Joined: Sat Aug 11, 2007 6:59 pm
- Been thanked: 1 time
I suggest you make a cannon that auto feeds first, then add the complication of a gear and many headaches trying to get it to run in sync. The concept would work i think but is it realllllly worth the hassle?
America, the greatest gangster of all time. With 200 million odd foot soldiers at it's whim and call.
When you fill your car with refined oil remember that it has been paid for with blood and guts, some from your own countrymen, most not.
When you fill your car with refined oil remember that it has been paid for with blood and guts, some from your own countrymen, most not.
Well, the auto feed is accomplished by turning the crank, so unless I used a different design, auto wouldn't be possible. I do understand what you are saying though, maybe i will make the sliding loader first and then see what happens from there. I know what you mean by hassle too, I have tried a more compact version of semi auto before too, and it worked poorly for about 4 shots before the pvc snapped. I think I am ready to take another stab at it though.
-
OuchProgramme
- Specialist 3

- Posts: 371
- Joined: Sat Jan 12, 2008 7:30 pm
Hmm...timing is going to be a pain. I'd say just screw the cogs and have the blow gun's become triggers. Dual wield the dam thing and kick some ass. Lol.
You could build a simple mount onto your back, w/ a backpack or something for the air chamber. Have the two blowguns in your hands and you could become a human turret.
.
Really. Just take off the cogs, put the design on a mount. Its like a dual wielded M2. browning. Total ownage.
You could build a simple mount onto your back, w/ a backpack or something for the air chamber. Have the two blowguns in your hands and you could become a human turret.
Really. Just take off the cogs, put the design on a mount. Its like a dual wielded M2. browning. Total ownage.
If I did take off the gear thing, it would make it so to fire, I would have to cock and then pull the trigger. Also, a 10 pound CO2 tank weighs upwards of 20 pounds so it would be a beast to haul around. It would be cool though, just not quite what I am aiming for.
-
Novacastrian
- Staff Sergeant 2

- Posts: 1603
- Joined: Sat Aug 11, 2007 6:59 pm
- Been thanked: 1 time
Funny you said that, it was my first thought!OuchProgramme wrote:Hmm...timing is going to be a pain. I'd say just screw the cogs and have the blow gun's become triggers. Dual wield the dam thing and kick some ass. Lol.
@Kablooie, i meant semi auto, not auto as i wrote sorry.
America, the greatest gangster of all time. With 200 million odd foot soldiers at it's whim and call.
When you fill your car with refined oil remember that it has been paid for with blood and guts, some from your own countrymen, most not.
When you fill your car with refined oil remember that it has been paid for with blood and guts, some from your own countrymen, most not.
- mega_swordman
- Corporal

- Posts: 526
- Joined: Wed Nov 29, 2006 2:37 pm
- Location: Bay Area, California
- Contact:
I can understand wanting to do something completely new, which we encourage, however, I don't think this design is practical enough for further research. Keep at it if you wish, but there are certainly much easier ways to make a semi-auto cannon.
"Never tell people how to do things. Tell them what to do and they will surprise you with their ingenuity." George S. Patton
- Pyro Ninja
- Specialist 3

- Posts: 351
- Joined: Mon Oct 09, 2006 7:11 am
- Location: Australia
You could use a ballvalve with a crank handle to which you could attach a gravity fed magazine to, to achieve semi/full auto (You just have to cut the little stop off).
- jackssmirkingrevenge
- Five Star General

- Posts: 26216
- Joined: Thu Mar 15, 2007 11:28 pm
- Has thanked: 576 times
- Been thanked: 347 times
This is a much better way of doing things, especially if you're using spherical ammo.Pyro Ninja wrote:You could use a ballvalve with a crank handle to which you could attach a gravity fed magazine to, to achieve semi/full auto (You just have to cut the little stop off).
- Attachments
-
- crankdat.gif (9.64 KiB) Viewed 3450 times
hectmarr wrote:You have to make many weapons, because this field is long and short life
- ghostman01
- Specialist 3

- Posts: 372
- Joined: Fri Nov 23, 2007 9:15 am
but i think with your idea JSR is that alot of air is going to be let out if you cant turn it quikly enough, you add a high tourqe/speed motor but then you have to worry bout batteries
- jackssmirkingrevenge
- Five Star General

- Posts: 26216
- Joined: Thu Mar 15, 2007 11:28 pm
- Has thanked: 576 times
- Been thanked: 347 times
If the diameter of the ball valve is the same as your projectiles, they will act as a very effective flow restrictors so that shouldn't be a problem. You just need some sort of mark on the crank so you stop cranking in the right position.
hectmarr wrote:You have to make many weapons, because this field is long and short life
- ghostman01
- Specialist 3

- Posts: 372
- Joined: Fri Nov 23, 2007 9:15 am
yeah or just have it so its in line with the barrel when you stop its parrallel to the barrel
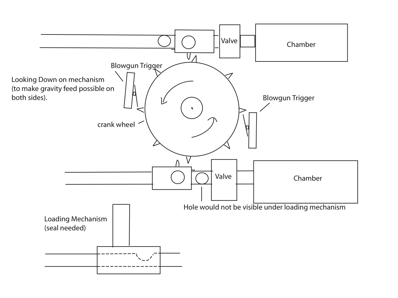
Instead of using the ball valve as the main firing valve, you could setup a firing peg system or something so that when the crank handle comes around every 180 degrees (when the ball valve is lined up) it trips a blowgun to pilot a sprinkler valve, crank it fast enough with a big enough chamber you could get maybe 3 or 4 shots off without filling it, but if you're hooked to a co2 tank or compressor you'd be good.
- Attachments
-
- diagram.jpg (16.55 KiB) Viewed 3429 times
<a href="">DONT TAZE ME BRO.. DONT TAZE ME... AHHHH</a>Yea, that's definitely going to get you at least a tazer.
facebook.com/biggrib
- jackssmirkingrevenge
- Five Star General

- Posts: 26216
- Joined: Thu Mar 15, 2007 11:28 pm
- Has thanked: 576 times
- Been thanked: 347 times
You'll need a massive flow in order for the sprinkler valve to reseat in time, besides the projectile will not leave the ball valve until it's 100% open, and that's practically as good a valve as a burst disk so you won't get much better efficiency than that. It would be conceptually similar to this.
You can have your projectiles (again assuming they're spheres) within the pressurised chamber itself to avoid drilling the ball valve, picture this design but with a crank instead of a handle:


You can have your projectiles (again assuming they're spheres) within the pressurised chamber itself to avoid drilling the ball valve, picture this design but with a crank instead of a handle:


hectmarr wrote:You have to make many weapons, because this field is long and short life
Wouldnt that make a cloud JSR??



