spudgun range, are we falling short?

A place for general potato gun questions and discussions.
User avatar
jackssmirkingrevenge
Five Star General
Five Star General
Posts: 26216
Joined: Thu Mar 15, 2007 11:28 pm
Has thanked: 576 times
Been thanked: 347 times

Donating Members

Thu May 03, 2012 1:44 pm

Here's the tag disassembled, unfortunately as is the board won't fit in the dart type projectile I had in mind, unless I fit it in a fin - but that doesn't allow a practical shock absorbtion system.
Attachments
rftag02.jpg
rftag01.jpg
hectmarr wrote:You have to make many weapons, because this field is long and short life
User avatar
al-xg
Corporal 2
Corporal 2
Great Britain
Posts: 643
Joined: Fri Jan 19, 2007 12:29 pm

Thu May 03, 2012 2:05 pm

Looks like you could give it a chop though, in height and width.

Unless that strip on the PCB is some sort of aerial ?
User avatar
jackssmirkingrevenge
Five Star General
Five Star General
Posts: 26216
Joined: Thu Mar 15, 2007 11:28 pm
Has thanked: 576 times
Been thanked: 347 times

Donating Members

Thu May 03, 2012 2:14 pm

al-xg wrote:Unless that strip on the PCB is some sort of aerial ?
That's what I was thinking, there doesn't seem to be any other surface to act as an antenna.
hectmarr wrote:You have to make many weapons, because this field is long and short life
User avatar
al-xg
Corporal 2
Corporal 2
Great Britain
Posts: 643
Joined: Fri Jan 19, 2007 12:29 pm

Thu May 03, 2012 2:16 pm

Well if it is, it looks pretty basic and shouldn't be too hard to replicate/move.
User avatar
jackssmirkingrevenge
Five Star General
Five Star General
Posts: 26216
Joined: Thu Mar 15, 2007 11:28 pm
Has thanked: 576 times
Been thanked: 347 times

Donating Members

Thu May 03, 2012 2:36 pm

looking at some other options, this looks pretty cheap and cheerful:

http://www.ebay.com/itm/Wireless-Anti-t ... 2c61bd4344

or maybe it's just easier to get one of these and rely on MrC's aural abilities:

http://www.ebay.com/itm/RF-Wireless-Rem ... 53ec6eb681

more shots increases the chance of finding at least one...
hectmarr wrote:You have to make many weapons, because this field is long and short life
User avatar
MrCrowley
Moderator
Moderator
Posts: 10078
Joined: Fri Jun 23, 2006 10:42 pm
Location: Auckland, New Zealand
Been thanked: 3 times

Thu May 03, 2012 2:59 pm

I had a lecture yesterday where we discussed using GPS in the field to track and plot features and sites. Apparently even the $6000 handheld devices they use get bad reception if there is a bit of tree cover overhead. I bet reception would be worse if it's 1ft underground.

How feasible would a self-deploying parachute be? If the 'chute was bright orange and relatively large (1'x1'), it could work pretty damn well. The only problem is getting it to deploy at the right time.
User avatar
battlelava
Specialist
Specialist
Posts: 142
Joined: Wed Oct 26, 2011 9:13 pm

Thu May 03, 2012 3:29 pm

With a lot of math calculations on speed gravity ect you could come up with a rough amount of time delay.
User avatar
dewey-1
Sergeant 3
Sergeant 3
Posts: 1298
Joined: Wed Mar 28, 2007 10:24 am
Location: NE Wisconsin USA

Thu May 03, 2012 3:37 pm

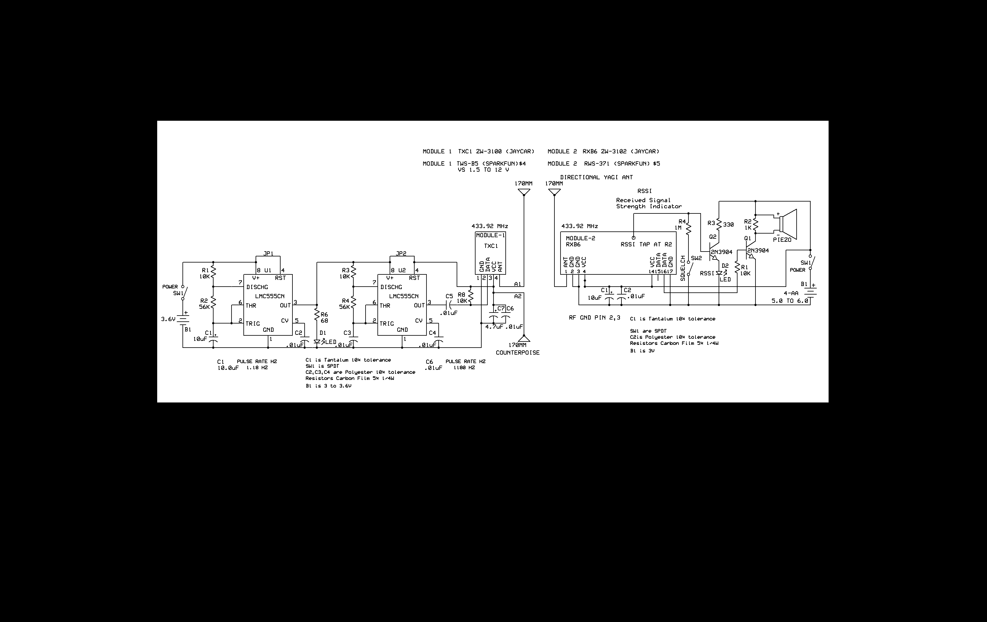
Here is a schematic for transmitter and receiver using the 433MHz modules.
I also did the PCB layout for the transmitter. Perf board type and etched PCB type.

If someone wants the ExpressPCB files let me know.
Attachments
PCB-Component Outline
PCB-Component Outline
PCB Layout XMIT
PCB Layout XMIT
Schematic
Schematic
User avatar
POLAND_SPUD
Captain
Captain
Posts: 5402
Joined: Sat Oct 13, 2007 4:43 pm
Been thanked: 1 time

Thu May 03, 2012 3:53 pm

If the 'chute was bright orange and relatively large (1'x1'), it could work pretty damn well. The only problem is getting it to deploy at the right time
for miniboy ?? I don't think that's feasible but if we're talking about cheap, simple and easy to build projectiles (something I suggested months ago :D ) then I guess it wouldn't be very difficult

do some math and set it to deploy the chute about 5 seconds before predicted contact with the ground
Children are the future

unless we stop them now
User avatar
jackssmirkingrevenge
Five Star General
Five Star General
Posts: 26216
Joined: Thu Mar 15, 2007 11:28 pm
Has thanked: 576 times
Been thanked: 347 times

Donating Members

Thu May 03, 2012 4:18 pm

MrCrowley wrote:I had a lecture yesterday where we discussed using GPS in the field to track and plot features and sites. Apparently even the $6000 handheld devices they use get bad reception if there is a bit of tree cover overhead. I bet reception would be worse if it's 1ft underground.
This advantage of RF over GPS is part of the advertising blurb of the radio devices.
How feasible would a self-deploying parachute be? If the 'chute was bright orange and relatively large (1'x1'), it could work pretty damn well. The only problem is getting it to deploy at the right time.
Snake-eye style retardation would be much sexier!

Image

Image

UNRETARDED / RETARDED

I bet the countdown timer goes up to potato :D

[youtube][/youtube]

We could even add the cool 80s documentary melody :D
Here is a schematic for transmitter and receiver using the 433MHz modules.
I also did the PCB layout for the transmitter. Perf board type and etched PCB type.

If someone wants the ExpressPCB files let me know.
That's probably less complicated than it looks... parts list for those with the electronic understanding of a deployed Snake eye? :)
do some math and set it to deploy the chute about 5 seconds before predicted contact with the ground
A level switch could make sure it doesn't deploy before it reaches a certain angle towards the ground, hmmm...

I'm certainly gravitating towards the mulitple keyfinder idea for a relatively cheap and plentiful series of projectiles...
hectmarr wrote:You have to make many weapons, because this field is long and short life
User avatar
dewey-1
Sergeant 3
Sergeant 3
Posts: 1298
Joined: Wed Mar 28, 2007 10:24 am
Location: NE Wisconsin USA

Thu May 03, 2012 4:21 pm

JSR

What about a picture of other side of PCB?
This will determine if board can be narrowed.

Almost all RF tags will be about 20 to 25mm in width due to typical CR2032 battery being used which is 19mm.
User avatar
jackssmirkingrevenge
Five Star General
Five Star General
Posts: 26216
Joined: Thu Mar 15, 2007 11:28 pm
Has thanked: 576 times
Been thanked: 347 times

Donating Members

Thu May 03, 2012 4:25 pm

dewey-1 wrote:What about a picture of other side of PCB?
This will determine if board can be narrowed.
There are photos of both sides :)

The bit we think is the antenna is actually marked "ANT 2" in the first photo, relevant?
Almost all RF tags will be about 20 to 25mm in width due to typical CR2032 battery being used which is 19mm.
Good point. I can tolerate 20mm, my plan is to fit two AAA batteries in line that would provide power and ballast.
hectmarr wrote:You have to make many weapons, because this field is long and short life
User avatar
dewey-1
Sergeant 3
Sergeant 3
Posts: 1298
Joined: Wed Mar 28, 2007 10:24 am
Location: NE Wisconsin USA

Thu May 03, 2012 4:44 pm

jackssmirkingrevenge wrote:
dewey-1 wrote:What about a picture of other side of PCB?
This will determine if board can be narrowed.
There are photos of both sides :)

The bit we think is the antenna is actually marked "ANT 2" in the first photo, relevant?
Almost all RF tags will be about 20 to 25mm in width due to typical CR2032 battery being used which is 19mm.
Good point. I can tolerate 20mm, my plan is to fit two AAA batteries in line that would provide power and ballast.
Sorry. I actually meant to say a closeup photo of both sides to zoom in for better resolution. You can send high resolution images to my e-mail.
User avatar
POLAND_SPUD
Captain
Captain
Posts: 5402
Joined: Sat Oct 13, 2007 4:43 pm
Been thanked: 1 time

Thu May 03, 2012 5:23 pm

@dewey
http://en.wikipedia.org/wiki/Proximity_fuze
The device described in World War II patent[15] works as follows: The shell contains a micro-transmitter which uses the shell body as an antenna and emits a continuous wave of roughly 180–220 MHz. As the shell approaches a reflecting object, an interference pattern is created. This pattern changes with shrinking distance: every half wavelength in distance (a half wavelength at this frequency is about 0.7 meters), the transmitter is in or out of resonance. This causes a small oscillation of the radiated power and consequently the oscillator supply current of about 200–800 Hz, the Doppler frequency. This signal is sent through a band pass filter, amplified, and triggers the detonation when it exceeds a given amplitude.
Is it feasible to reproduce this circuit ?
Children are the future

unless we stop them now
User avatar
MrCrowley
Moderator
Moderator
Posts: 10078
Joined: Fri Jun 23, 2006 10:42 pm
Location: Auckland, New Zealand
Been thanked: 3 times

Thu May 03, 2012 5:29 pm

POLAND_SPUD wrote:
If the 'chute was bright orange and relatively large (1'x1'), it could work pretty damn well. The only problem is getting it to deploy at the right time
for miniboy ?? I don't think that's feasible but if we're talking about cheap, simple and easy to build projectiles (something I suggested months ago :D ) then I guess it wouldn't be very difficult

do some math and set it to deploy the chute about 5 seconds before predicted contact with the ground
Yeah I meant for a different projectile, MiniBoy is too small for just about anything.
Post Reply